শিল্প মন্ত্রিসভা দরজা লকএটি বিতরণ মন্ত্রিসভা, যোগাযোগ মন্ত্রিসভা, নিয়ন্ত্রণ বাক্স এবং অন্যান্য সরঞ্জামগুলির মূল প্রতিরক্ষামূলক উপাদান, যা অভ্যন্তরীণ বৈদ্যুতিক উপাদানগুলির সুরক্ষা এবং সিস্টেমের স্থিতিশীল অপারেশনের সাথে সরাসরি সম্পর্কিত।
বিভিন্ন প্রজেক্টের জন্য ডেলিভারি টাইম এবং স্পেসিফিকেশনের বৈচিত্র্যময় প্রয়োজনীয়তা পূরণ করার জন্য, আমাদের কোম্পানির স্টকে সর্বদা পাঁচ ধরনের সাধারণভাবে ব্যবহৃত লক থাকে --লম্বা বার লক, প্যানেল লক, রড কন্ট্রোল লক, হ্যান্ডেল লক,ঘূর্ণমান জিহ্বা লক. একই সময়ে, আমরা অঙ্কন বা নমুনা অনুসারে কাস্টমাইজ করা যে কোনও অ-মানক লক সমর্থন করি, যা সমস্ত ধরণের ধাতব বিতরণ বাক্সের জন্য পুরোপুরি উপযুক্ত।
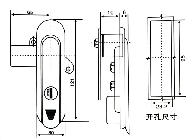
প্লেন লক হল ইন্ডাস্ট্রিয়াল ক্যাবিনেটের দরজার লকগুলির মধ্যে সবচেয়ে সাধারণ ধরনের একটি, সুন্দর এবং রক্ষণাবেক্ষণ করা সহজ। আমাদের কোম্পানী AB301, AB302, AB303, AB402, AB403 সিরিজ প্লেন লক চালু করেছে, কাঠামোগত শক্তি, সুরক্ষা কার্যকারিতা এবং ভিন্ন ডিজাইনের অপারেটিং অনুভূতিতে, বিতরণ বাক্সের বিভিন্ন বৈশিষ্ট্য, নিয়ন্ত্রণ মন্ত্রিসভা ইনস্টলেশনের প্রয়োজনীয়তাগুলি পূরণ করতে পারে।
| মাত্রা | পণ্য নম্বর | |||||||
| L1 | L2 | L3 | B1 | B2 | ধূসর ক্রোম কলাই | ধূসর স্প্রে পেইন্ট | কালো পাউডার লেপা | ওজন (গ্রাম) |
| 147 | 117 | 72 | 33 | 26.5 | AB301-1-1.2 | AB301-1-1.8 | AB301 | 370 |
| 120.5 | 95.5 | 65 | 30 | 23.5 | AB301-2-1.2 | AB301-2-1.8 | AB302 | 290 |
| 87.5 | 62.5 | 65 | 28.5 | 23.5 | AB301-3-1.2 | AB301-3-1.8 | AB303 | 215 |
প্রধান উপাদান: দস্তা খাদ।
পৃষ্ঠ চিকিত্সা: উজ্জ্বল ক্রোম, ম্যাট, কালো।
ফাংশন এবং ব্যবহার: সিলিং এবং জলরোধী ফাংশন সহ বাম এবং ডান দরজা খোলার, ব্যবহার করা সহজ, উপলব্ধি করুন।
প্রধান উপাদান: দস্তা খাদ।
পৃষ্ঠ চিকিত্সা: উজ্জ্বল ক্রোম, ম্যাট, কালো।
ফাংশন এবং ব্যবহার: সিলিং এবং জলরোধী ফাংশন সহ বাম এবং ডান দরজা খোলার, ব্যবহার করা সহজ, উপলব্ধি করুন।
উপাদান: দস্তা খাদ লক বডি, ঘূর্ণায়মান খাদ, গ্যালভানাইজড ইস্পাত বল্টু, চাপ প্লেট।
সারফেস ট্রিটমেন্ট: সিলভার গ্রে ন্যানো স্প্রে।
কাঠামোর বিবরণ: খুলতে বা লক করতে 90 ডিগ্রি ঘোরান।
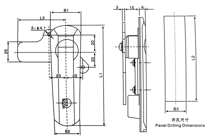
| মডেল | L1 | L2 | L3 | B1 | B2 | B3 |
| নতুন AB402-A | 123 | 95.5 | 65 | 36.5 | 30 | 23.5 |
| নতুন AB403-A | 91 | 62.5 | 65 | 33 | 28.5 | 23.5 |
| নতুন AB401-A | 151 | 117 | 72 | 36 | 30 | 26.5 |
